





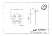
The F682 is a metric, flanged, deep-groove ball bearing with a compact 2mm bore, 5mm outer diameter, and 2.3mm width . This design supports moderate radial loads (dynamic load rating 169 N) and is suited for high-speed operation up to 85,000 rpm with grease lubrication . The integral flange simplifies mounting and positioning in compact machinery and precision instruments .